Rubber soft joint
Nominal diameter: DN32~ 3000mm
Nominal pressure: PN1.0~2.5MPa
Applicable temperature: -15~+115°C (up to -30 ~ +250°C in special cases)
Applicable medium: air, compressed air, water, sea water, hot water, oil, acid, etc.
Main material: rubber
The flexible single-ball rubber joint is a kind of rubber connector, which is composed of an inner rubber layer, a rubber sphere reinforced by a nylon cord fabric, an outer rubber layer and a loose metal flange. It has the characteristics of high pressure resistance, good elasticity, large displacement, balanced pipeline deviation, vibration absorption, good noise reduction effect, and convenient installation. It is widely used in basic projects such as chemical industry, construction, water supply, drainage, petroleum, light and heavy industry, refrigeration, sanitation, plumbing, fire protection, and electric power.
Features
1. Rubber joints can greatly reduce the vibration and noise of the piping system, and can fundamentally solve the problems of interface displacement, axial expansion and contraction, and misalignment of various pipelines.
2. According to different materials, rubber joints can be made into various varieties such as acid resistance, alkali resistance, corrosion resistance, oil resistance, heat resistance, etc., to adapt to a variety of media and environments.
3. The rubber joint material is polar rubber, with good sealing performance, light weight, convenient installation and maintenance, and long service life, but avoid contact with sharp metal instruments to avoid puncturing the sphere.
4. If the rubber joint is used overhead, it can be equipped with an elastic bracket, and the bolts should be tightened diagonally during installation.
5. If the pressure of the rubber joint pipeline is too high, use limit bolts to connect the flanges at both ends.
Material of main parts
|
Project |
Model |
KXT-1 |
KXT-2 |
KXT-3 |
|
Work pressureMPa(kgf/cm2) |
1.0(10) |
1.6(16) |
2.5(25) |
|
|
Burst pressureMPa(kgf/cm2) |
2.0(20) |
3.0(30) |
4.5(45) |
|
|
VacuumKPa(mm/Hg) |
53.3(400) |
86.7(650) |
100(750) |
|
|
Applicable temperature ℃ |
-15~+115,Special reachable-30~+250 |
|||
|
Applicable medium |
Air, compressed air, water, sea water, hot water, oil, acid, alkali, etc. |
|||
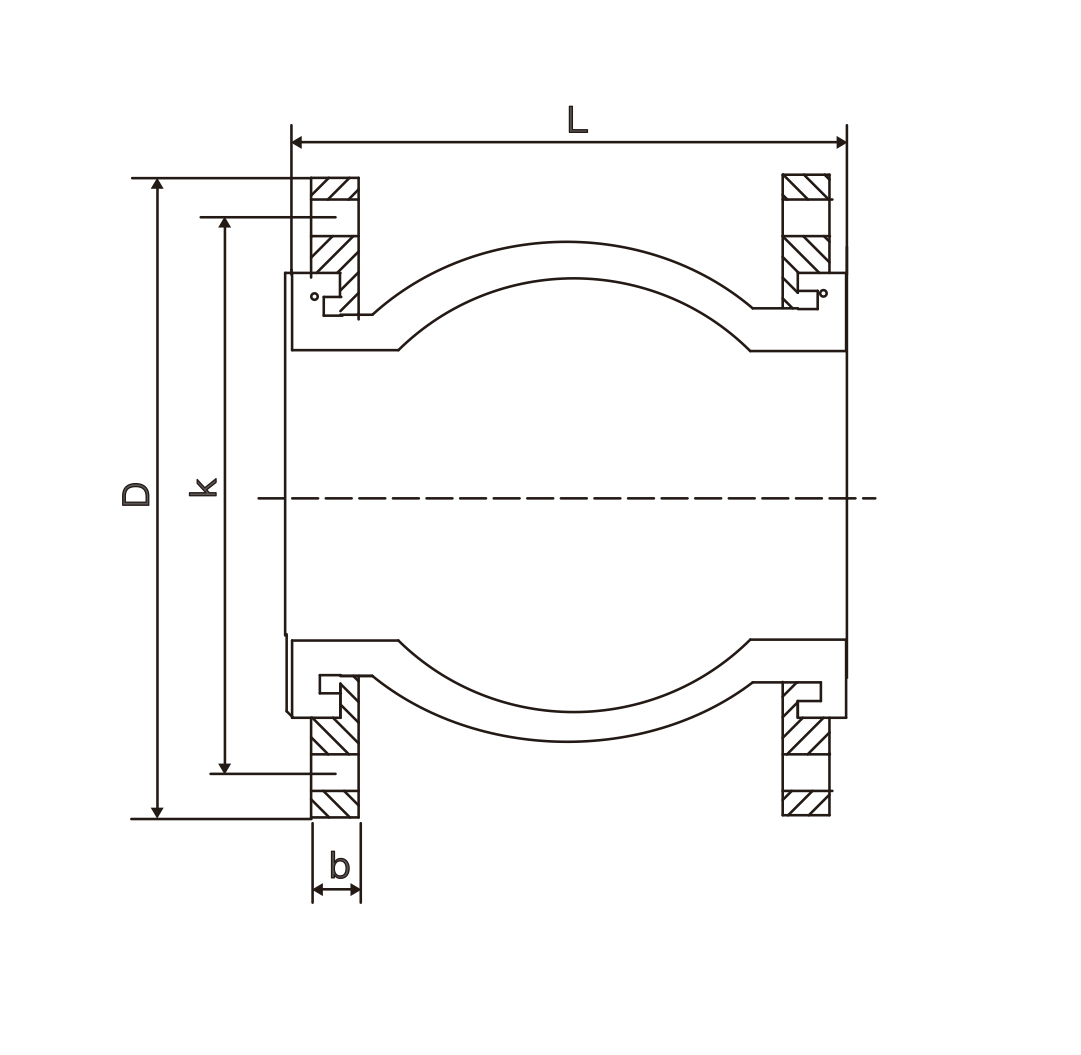
Main dimensions
| Nominal diameterDN |
length L |
Flange thickness b |
Number of boltsn |
Bolt hole diameter mm |
Center circle diameter of bolt holeK mm |
Axial displacementmm | Lateral displacementmm | Deflection angle(a1+a2) | ||
| mm | inch | Elongation | Compression | |||||||
| 32 | 1.25 | 95 | 16 | 4 | 18 | 100 | 6 | 9 | 9 | 15° |
| 40 | 1.5 | 95 | 18 | 4 | 18 | 110 | 6 | 10 | 9 | 15° |
| 50 | 2 | 105 | 18 | 4 | 18 | 125 | 7 | 10 | 10 | 15° |
| 65 | 2.5 | 115 | 20 | 4 | 18 | 145 | 7 | 13 | 11 | 15° |
| 80 | 3 | 135 | 20 | 4 | 18 | 160 | 8 | 15 | 12 | 15° |
| 100 | 4 | 150 | 22 | 8 | 18 | 180 | 10 | 19 | 13 | 15° |
| 125 | 5 | 165 | 24 | 8 | 18 | 210 | 12 | 19 | 13 | 15° |
| 150 | 6 | 180 | 24 | 8 | 23 | 240 | 12 | 20 | 14 | 15° |
| 200 | 8 | 210 | 24 | 8 | 23 | 295 | 16 | 25 | 22 | 15° |
| 250 | 10 | 230 | 26 | 12 | 23 | 350 | 16 | 25 | 22 | 15° |
| 300 | 12 | 245 | 28 | 12 | 23 | 400 | 16 | 25 | 22 | 15° |
| 350 | 14 | 255 | 28 | 16 | 23 | 460 | 16 | 25 | 22 | 15° |
| 400 | 16 | 255 | 30 | 16 | 25 | 515 | 16 | 25 | 22 | 15° |
| 450 | 18 | 255 | 30 | 20 | 25 | 565 | 16 | 25 | 22 | 15° |
| 500 | 20 | 255 | 32 | 20 | 25 | 620 | 16 | 25 | 22 | 15° |
| 600 | 24 | 260 | 36 | 20 | 30 | 725 | 16 | 25 | 22 | 15° |
| 700 | 28 | 260 | 36 | 24 | 30 | 840 | 16 | 25 | 22 | 15° |
| 800 | 32 | 260 | 38 | 24 | 34 | 950 | 16 | 25 | 22 | 15° |
| 900 | 36 | 260 | 42 | 28 | 34 | 1050 | 16 | 25 | 22 | 15° |
| 1000 | 40 | 260 | 44 | 28 | 34 | 1160 | 18 | 26 | 24 | 15° |
| 1200 | 48 | 260 | 48 | 32 | 41 | 1380 | 18 | 26 | 24 | 15° |
| 1400 | 56 | 350 | 44 | 36 | 34 | 1560 | 20 | 28 | 26 | 15° |
| 1600 | 64 | 350 | 46 | 40 | 34 | 1760 | 25 | 35 | 30 | 10° |
| 1800 | 72 | 350 | 52 | 44 | 41 | 1970 | 25 | 35 | 30 | 10° |
| 2000 | 80 | 420 | 54 | 48 | 48 | 2180 | 25 | 35 | 30 | 10° |
| 2200 | 88 | 420 | 60 | 52 | - | 2390 | 25 | 35 | 30 | 10° |
| 2400 | 96 | 420 | 62 | 56 | - | 2600 | 25 | 35 | 30 | 10° |
| 2600 | 104 | 450 | 64 | 60 | - | 2810 | 25 | 35 | 30 | 10° |
| 2800 | 112 | 450 | 68 | 64 | - | 3020 | 25 | 35 | 30 | 10° |
| 3000 | 120 | 500 | 70 | 68 | - | 3220 | 25 | 35 | 30 | 10° |

Contact us

































+86-021-67895388
shghfmc@163.com
93862333